Zaloguj się
Nie pamiętasz hasła? Zarejestruj się

ZESTAW NAPRAWCZY SILNIKA PERKINS 100,00MM F/F HON.

Dostępność: .
Cena brutto: 480,07 zł

Cena regularna:

480.07
Cena netto: 390,30 zł

Cena regularna:

ilość szt.

towar niedostępny

Opis

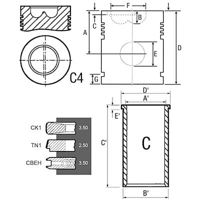
KOMPLET ZESTAW NAPRAWCZY SILNIKA PERKINS 100,00MMO.E.M.(B31173) 3-PIERŚCIENIOWY 3,50X2,50X3,50 PERKINS 1000 AK WYMIARY TŁOKA A=70,32 D=108,26 E=36,69 WYMIARY TULEJI A=100,0 B=104,2 C=228,00 D=107,34 E=3,90

Opinie o produkcie (0)

do góry
Sklep jest w trybie podglądu
Pokaż pełną wersję strony
Sklep internetowy Shoper.pl