Zaloguj się
Nie pamiętasz hasła? Zarejestruj się

ZESTAW NAPRAWCZY SILNIKA PERKINS 91,49MM S/F SUR.

Dostępność: .
Cena brutto: 227,06 zł

Cena regularna:

227.06
Cena netto: 184,60 zł

Cena regularna:

ilość szt.

towar niedostępny

Opis

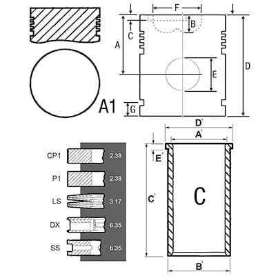
KOMPLET ZESTAW NAPRAWCZY SILNIKA PERKINS 91,49MM/AP-USH01KP1/ O.E.M. U5MK0033 5-PIERŚCIENIOWY 2,38X2,38X3,17X6,35X6,35PERKINS A3.152 A4.203 /31-5/ WYMIARY TŁOKA A=56,92 D=107,70 E=31,75WYMIARY TULEJI A=91,49 B=93.71 C=216.03 D=96,72MM E=3,81

Opinie o produkcie (0)

do góry
Sklep jest w trybie podglądu
Pokaż pełną wersję strony
Sklep internetowy Shoper.pl